Description
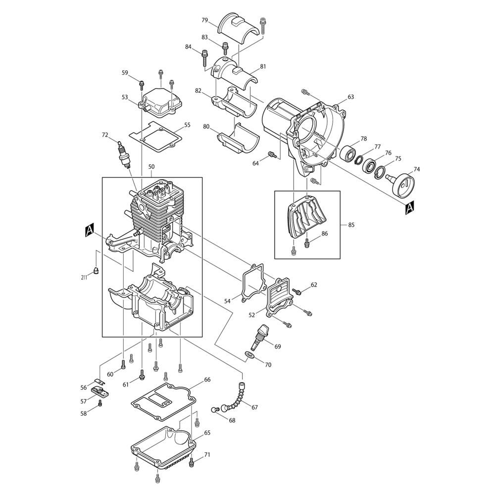
The Cylinder and Oil Gauge Assembly for the Makita BCX2500 Brushcutter includes key components essential for optimal performance and longevity. This assembly ensures efficient operation by maintaining proper oil levels and cylinder function. Components such as gaskets, seals, and gauges are included, designed to fit seamlessly with the Makita BCX2500 model.
Reviews
Add a review
Write Your Own Review
Ask a Question
Customer Questions

