Description
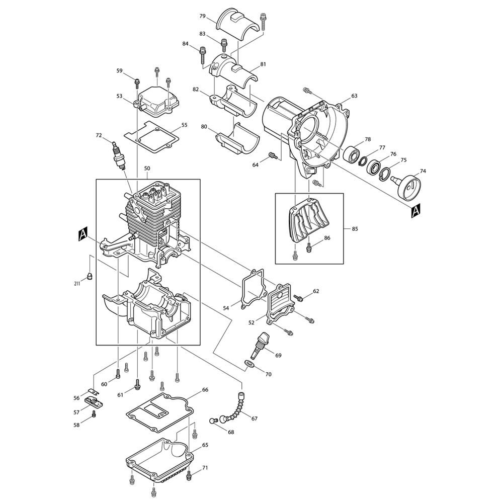
The Cylinder, Oil Gauge Assembly for the Makita BCX2510 Brushcutter is designed to ensure optimal performance and longevity. This assembly includes key components such as the cylinder, oil gauge, and related parts, crucial for maintaining engine efficiency and monitoring oil levels. Genuine Makita parts guarantee compatibility and reliability for your brushcutter.
Reviews
Add a review
Write Your Own Review
Ask a Question
Customer Questions

