Description
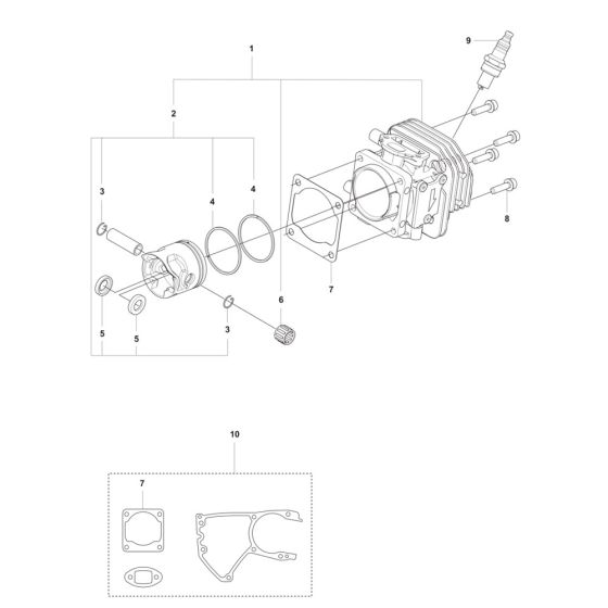
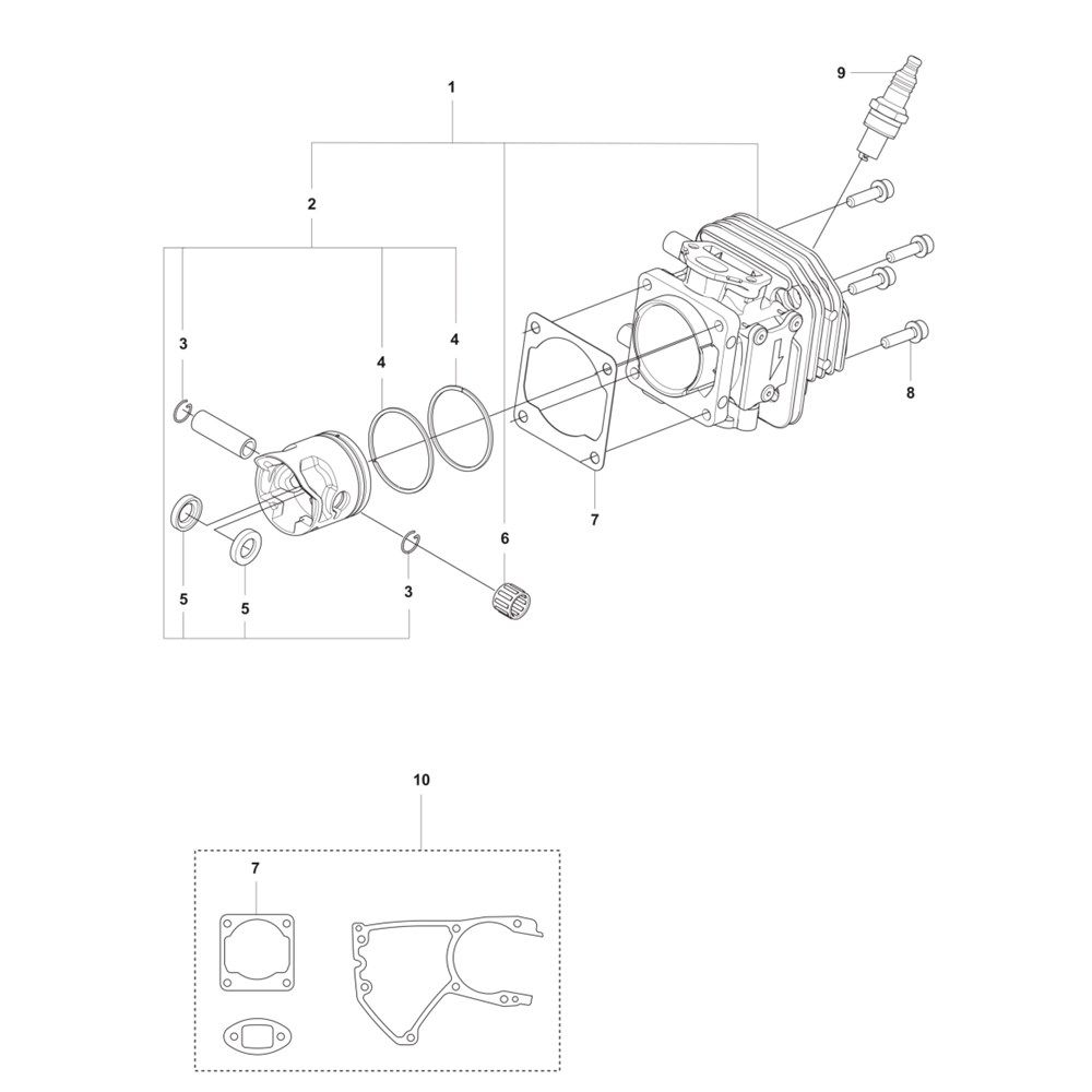
The Cylinder, Piston Assembly for the Husqvarna 540XP Mark III Chainsaw is designed to ensure optimal engine performance and longevity. This assembly includes key components such as the cylinder, piston, and rings, which work together to facilitate efficient combustion and power delivery. Genuine Husqvarna parts ensure compatibility and reliability for demanding cutting tasks.
Reviews
Add a review
Write Your Own Review
Ask a Question
Customer Questions

