Description
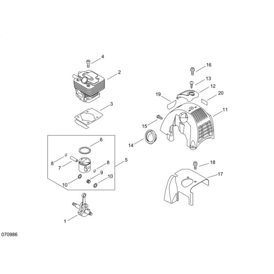
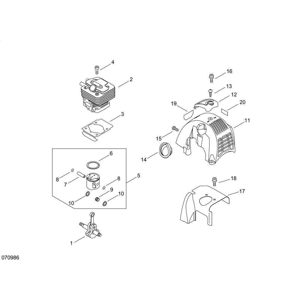
The Cylinder, Piston, and Crankshaft assembly for the ECHO PAS-265ES Multi-Tool Power Unit ensures optimal engine performance. These components are crucial for maintaining compression and efficient power transfer. Available in both genuine and non-genuine parts, they help in the smooth operation of the multi-tool, reducing wear and extending service life.
Reviews
Add a review
Write Your Own Review
Ask a Question
Customer Questions

