Description
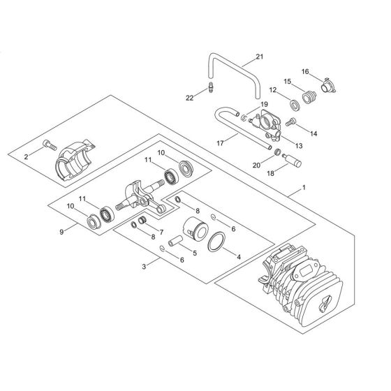
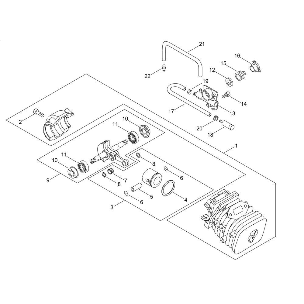
The Cylinder, Piston, and Crankshaft assembly for the Shindaiwa 362TS Chainsaw is crucial for maintaining optimal engine performance. These components work together to ensure efficient combustion and power delivery. Options include genuine and non-genuine parts, allowing for flexibility in repairs and maintenance. This assembly is essential for prolonging the lifespan of your chainsaw and ensuring reliable operation.
Reviews
Add a review
Write Your Own Review
Ask a Question
Customer Questions

