Description
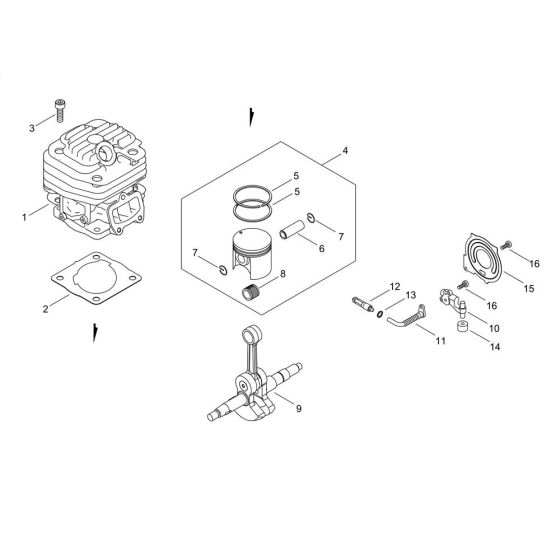
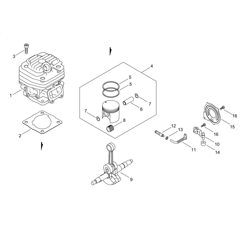
The Cylinder, Piston, and Crankshaft for the Shindaiwa 390SX Chainsaw are essential components for maintaining optimal engine performance. These genuine parts ensure efficient combustion and power transfer, enhancing the chainsaw's reliability and longevity. Available in various configurations to suit different repair and maintenance needs.
Reviews
Add a review
Write Your Own Review
Ask a Question
Customer Questions

