Description
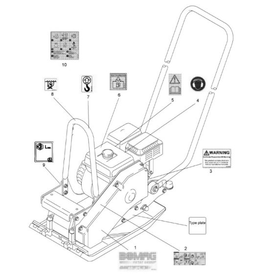
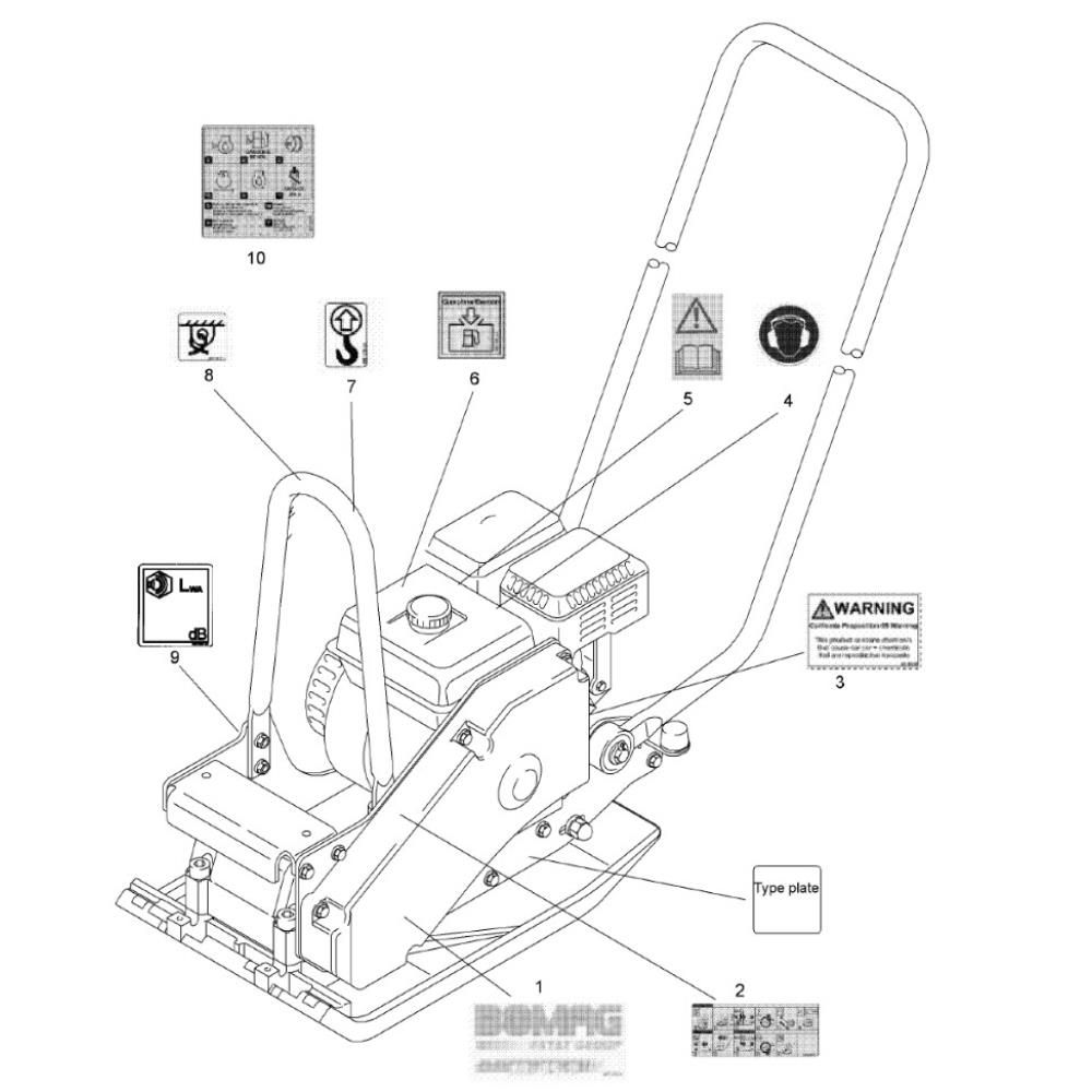
The Decals Assembly for the Bomag BVP10/36 Forward Compactor includes essential markings and labels to ensure proper operation and safety. These decals provide clear instructions and warnings, contributing to efficient use and maintenance. Designed specifically for the Bomag BVP10/36 model, they ensure compatibility and durability.
Reviews
Add a review
Write Your Own Review
Ask a Question
Customer Questions

