Description
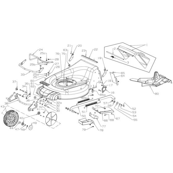
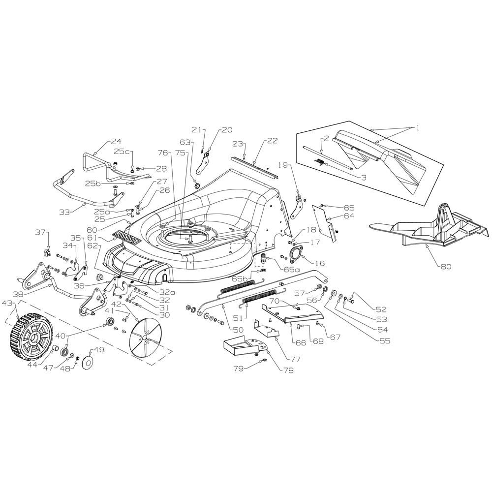
The Deck Assembly for the Morrison Contractor (2017 Dec 467799) Commercial Mower includes essential components to ensure optimal cutting performance and durability. This assembly is crucial for maintaining the mower's efficiency and includes parts such as blades, belts, and spindles. Designed for the Morrison Contractor model, it supports effective grass cutting and collection, enhancing the mower's overall functionality.
Reviews
Add a review
Write Your Own Review
Ask a Question
Customer Questions

