Description
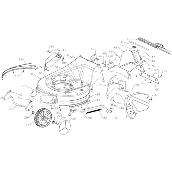
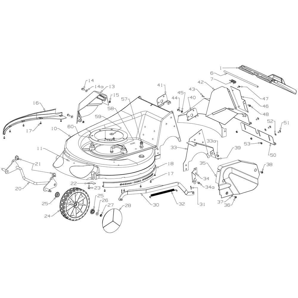
The Deck Assembly for the Morrison Oxford 54RS Power Drive Mower is designed to ensure optimal cutting performance and durability. This assembly includes essential components such as the mower deck, blades, and mounting brackets, which work together to provide a clean and efficient cut. Suitable for maintaining lawns with precision, it supports the mower's overall functionality and longevity.
Reviews
Add a review
Write Your Own Review
Ask a Question
Customer Questions

