Description
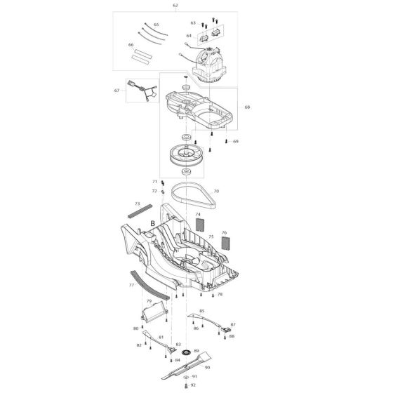
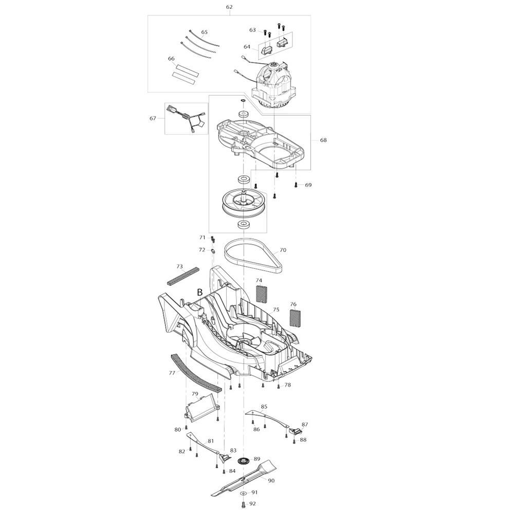
The Deck and Motor Assembly for the Makita ELM3320 Mower includes key components essential for efficient lawn maintenance. This assembly ensures optimal performance by integrating the deck and motor, which are crucial for cutting grass effectively. Available parts may include blades, housing, and motor units, designed to fit the Makita ELM3320 model.
Reviews
Add a review
Write Your Own Review
Ask a Question
Customer Questions

