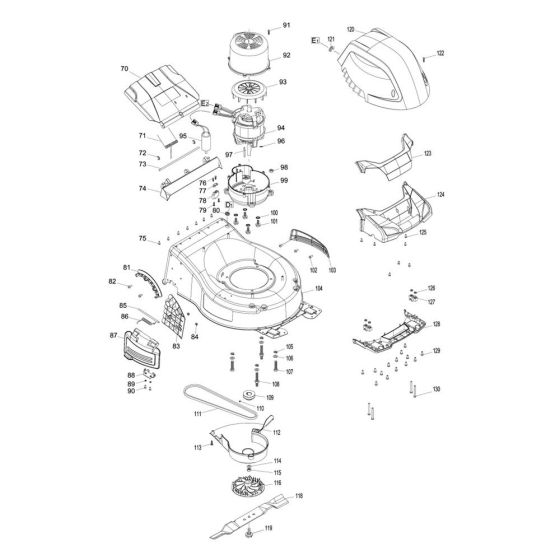
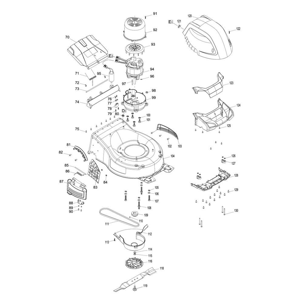
Description
The Deck and Motor Assembly for the Makita ELM4613 Mower includes key components to ensure efficient mowing performance. This assembly is crucial for the operation of the electric mower, providing the necessary structure and power transmission. Typical parts include the deck, motor, blades, and fasteners, all designed to work seamlessly together for optimal cutting results.
Reviews
Add a review
Write Your Own Review
Ask a Question
Customer Questions

