Description
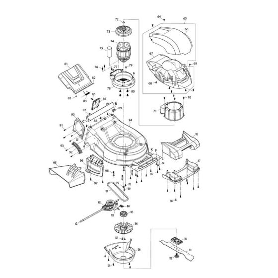
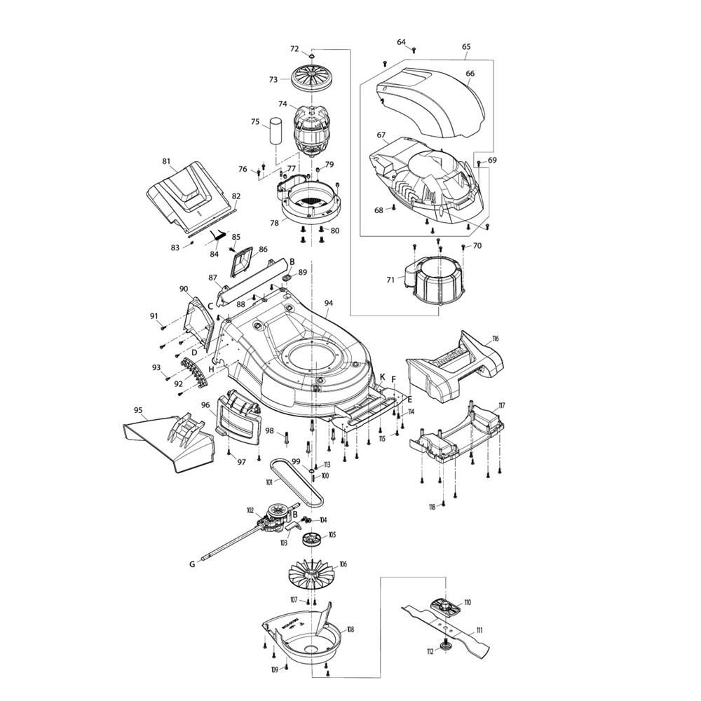
The Deck and Motor Assembly for the Makita ELM4621 Mower includes essential components to ensure efficient cutting and operation. This assembly is crucial for maintaining the mower's performance, providing a robust structure and reliable motor function. Available components may include the deck, motor housing, blades, and fasteners, all designed to fit the Makita ELM4621 model.
Reviews
Add a review
Write Your Own Review
Ask a Question
Customer Questions

