
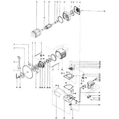
DeWalt DW8003----D Type 1 Radial Arm Saw Parts
Spare Parts and Part Diagrams for DeWalt DW8003----D Type 1 Radial Arm Saws
Spare Parts and Part Diagrams for DeWalt DW8003----D Type 1 Radial Arm Saws