
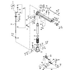
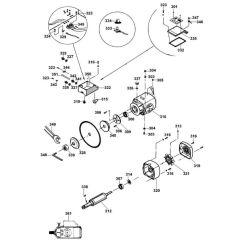
DeWalt DW729 Type 2 Radial Arm Saw Parts
Spare Parts and Part Diagrams for DeWalt DW729 Type 2 Radial Arm Saws
Spare Parts and Part Diagrams for DeWalt DW729 Type 2 Radial Arm Saws
Shop by diagram
All products
-
Washer,Flat 13x24 Uni 6592 - Genuine DeWalt£4.14 £3.45