Description
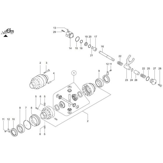
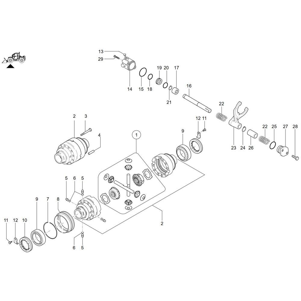
The Front Differential Assembly for the Wacker TH955 (416-06) Telehandler is crucial for optimal vehicle performance. This assembly ensures efficient power distribution to the wheels, enhancing traction and manoeuvrability. It includes components such as gears, bearings, and seals, designed to withstand demanding conditions. Genuine Wacker Neuson parts guarantee compatibility and reliability, ensuring the telehandler operates smoothly in various terrains.
Reviews
Add a review
Write Your Own Review
Ask a Question
Customer Questions

