Description
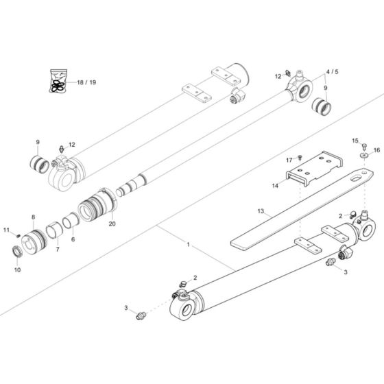
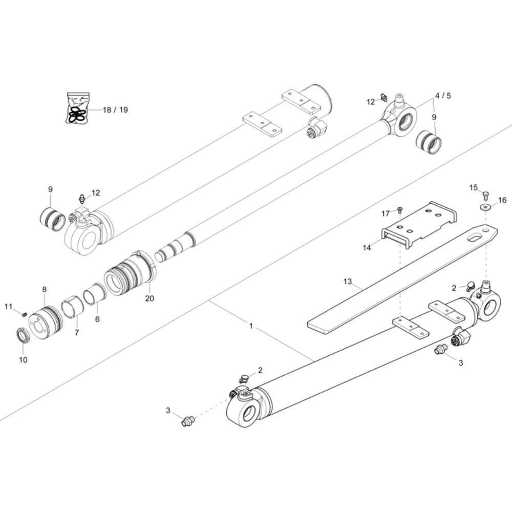
The Dipper Arm Cylinder Assembly for the Wacker ET35 Mini Excavator is crucial for efficient operation. This assembly includes components like pistons, seals, and rods, ensuring smooth and precise movement of the dipper arm. Designed for durability and reliability, it helps maintain the excavator's performance in various construction tasks.
Reviews
Add a review
Write Your Own Review
Ask a Question
Customer Questions

