Description
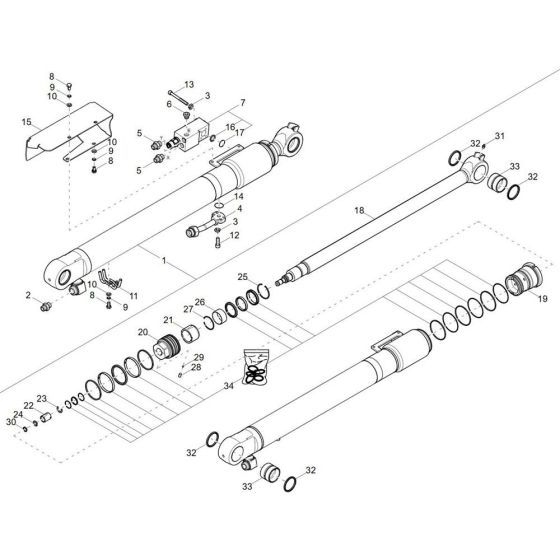
The Dipper Arm Cylinder Assembly for the Wacker EZ80 Mini Excavator is essential for efficient operation. This assembly includes components like pistons, seals, and rods, ensuring smooth movement and control of the dipper arm. Designed for durability, it helps maintain the excavator's performance in various construction tasks. Genuine Wacker Neuson parts ensure compatibility and reliability.
Reviews
Add a review
Write Your Own Review
Ask a Question
Customer Questions

