Description
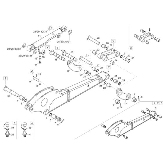
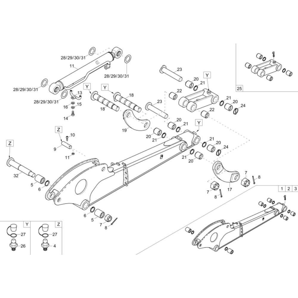
The Dipperstick Assembly for the Wacker 38Z3 Mini Excavator is a crucial component designed to enhance the machine's digging capabilities. This assembly includes essential parts such as hydraulic cylinders, pins, and bushings, ensuring smooth operation and durability. Genuine Wacker Neuson parts guarantee compatibility and performance, making it ideal for maintaining your excavator's efficiency.
Reviews
Add a review
Write Your Own Review
Ask a Question
Customer Questions

