Description
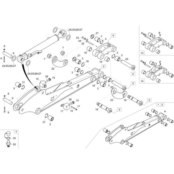
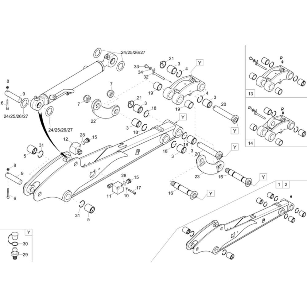
The Dipperstick Assembly for the Wacker ET20 Mini Excavator is essential for efficient digging and material handling. This assembly includes key components such as pins, bushings, and hydraulic cylinders, ensuring smooth operation and durability. Designed specifically for the Wacker Neuson ET20, it supports optimal performance and reliability in various excavation tasks.
Reviews
Add a review
Write Your Own Review
Ask a Question
Customer Questions

