Description
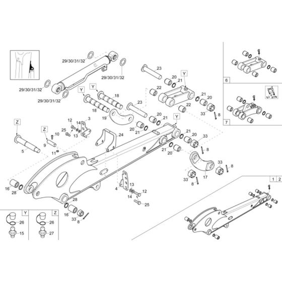
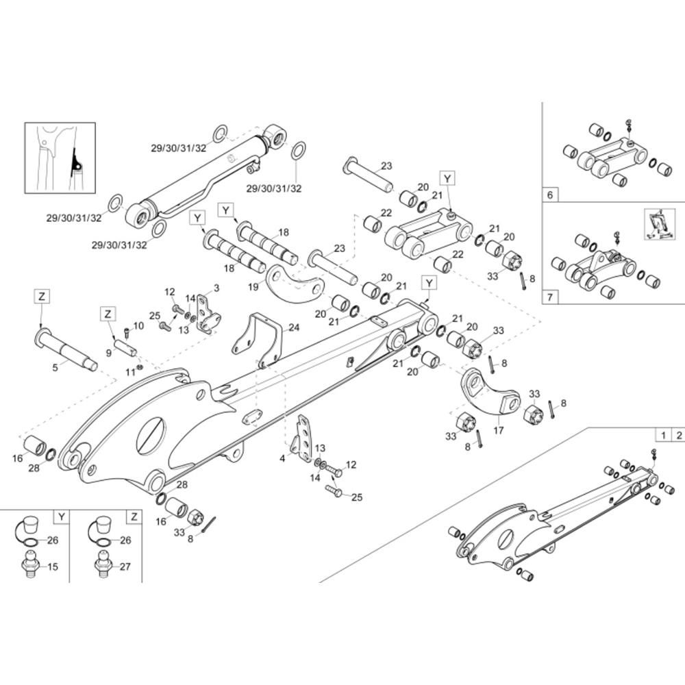
The Dipperstick Assembly for the Wacker EZ38 Mini Excavator is crucial for efficient digging and material handling. This assembly includes components such as pins, bushings, and hydraulic cylinders, ensuring smooth operation and durability. Designed for optimal performance, it supports various excavation tasks, enhancing the machine's versatility and reliability.
Reviews
Add a review
Write Your Own Review
Ask a Question
Customer Questions

