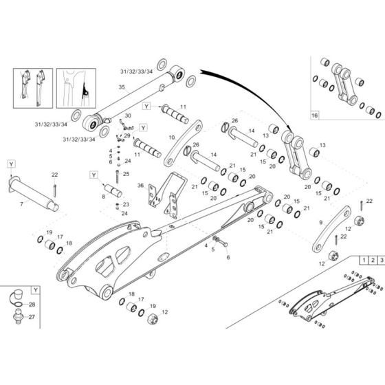
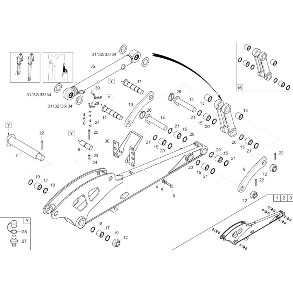
Description
The Dipperstick (Long) Assembly for the Wacker 75Z3 Mini Excavator is designed to enhance the machine's digging capabilities. This assembly includes essential components such as pins, bushings, and hydraulic cylinders, ensuring efficient operation and durability. Genuine Wacker Neuson parts guarantee compatibility and reliability for your mini excavator.
Reviews
Add a review
Write Your Own Review
Ask a Question
Customer Questions

