Description
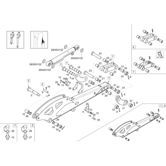
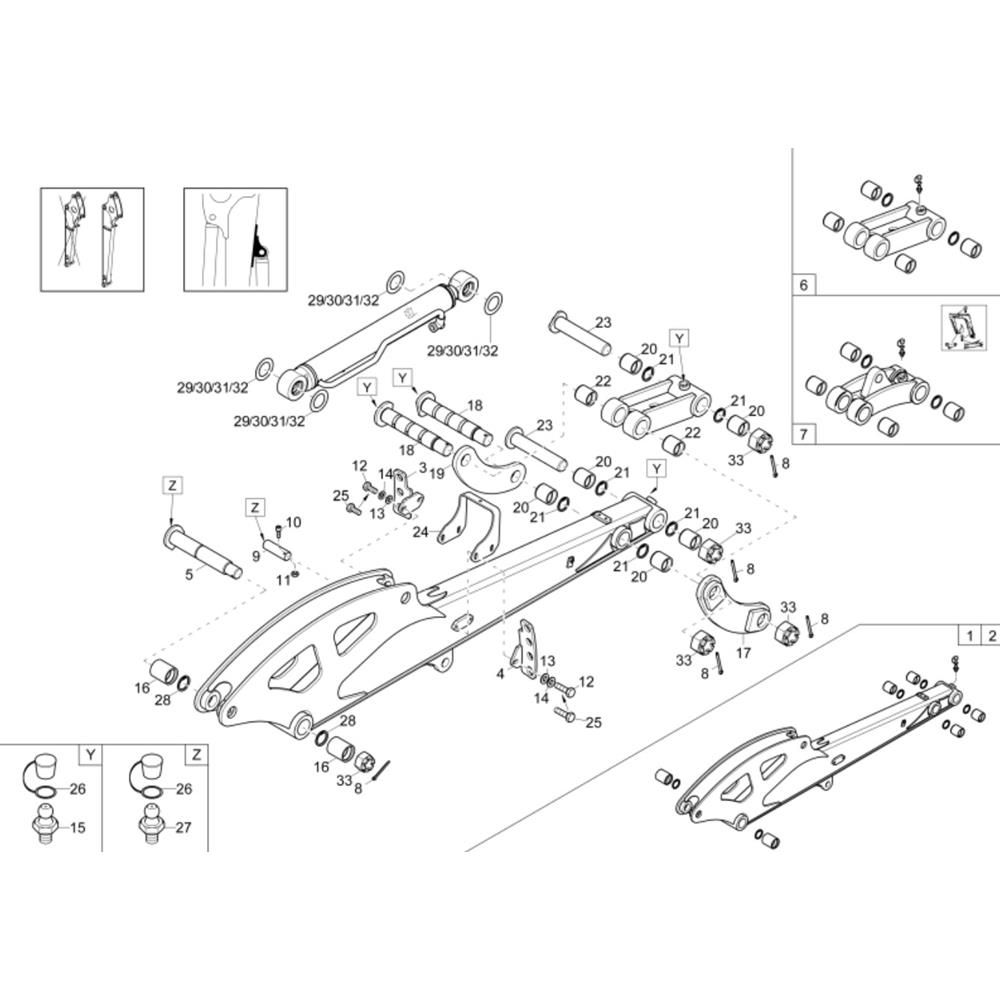
The Dipperstick (Long) Assembly for the Wacker EZ38 Mini Excavator is designed to enhance the machine's digging capabilities. This assembly includes components such as pins, bushings, and hydraulic cylinders, ensuring efficient operation and durability. Genuine Wacker Neuson parts guarantee compatibility and performance, maintaining the excavator's reliability in various construction tasks.
Reviews
Add a review
Write Your Own Review
Ask a Question
Customer Questions

