Description
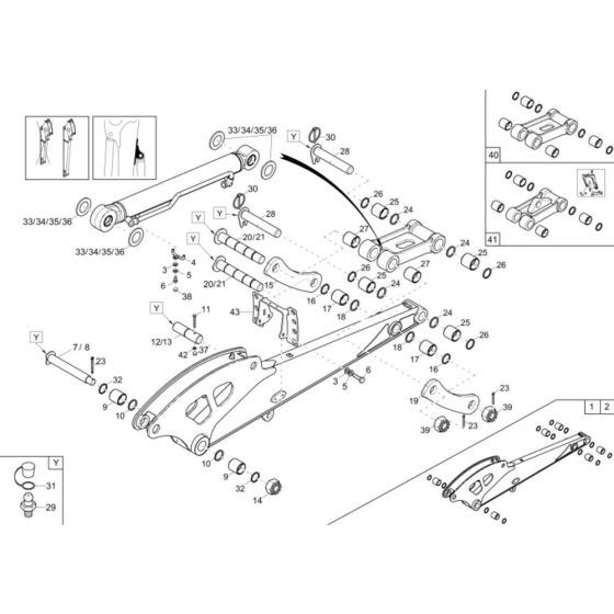
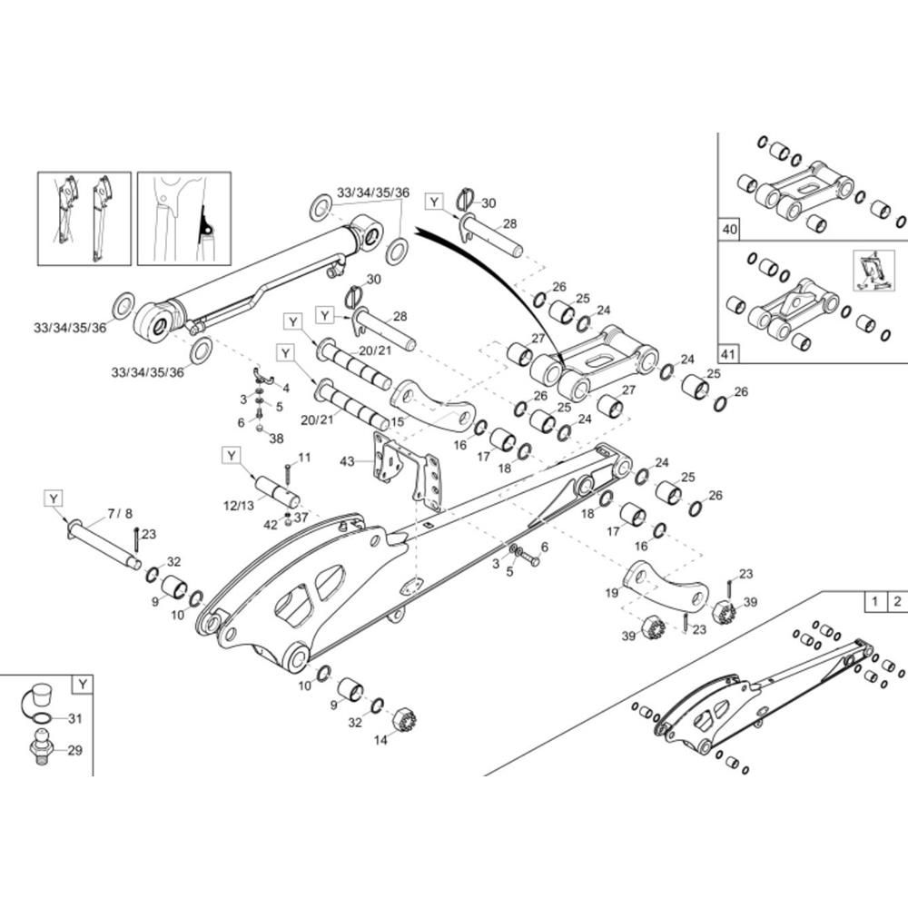
The Dipperstick (Long) Assembly for the Wacker EZ53 Mini Excavator is crucial for efficient digging and material handling. This assembly includes components such as pins, bushings, and hydraulic cylinders, ensuring smooth operation and durability. Designed for the Wacker Neuson EZ53, it supports precise excavation tasks and enhances machine performance.
Reviews
Add a review
Write Your Own Review
Ask a Question
Customer Questions

