Description
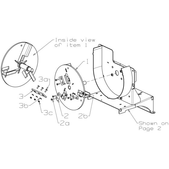
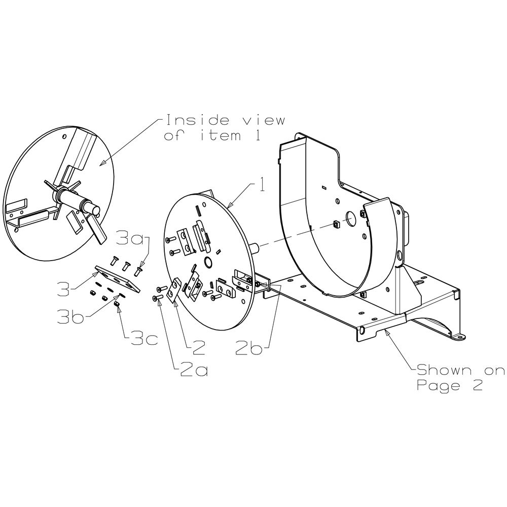
The disc assembly for the Masport MC900 Shredder includes blades designed to efficiently process garden waste. These components ensure optimal shredding performance and longevity of the machine. Available in genuine and non-genuine options, the blades are essential for maintaining the shredder's cutting efficiency and reliability.
Reviews
Add a review
Write Your Own Review
Ask a Question
Customer Questions

