Description
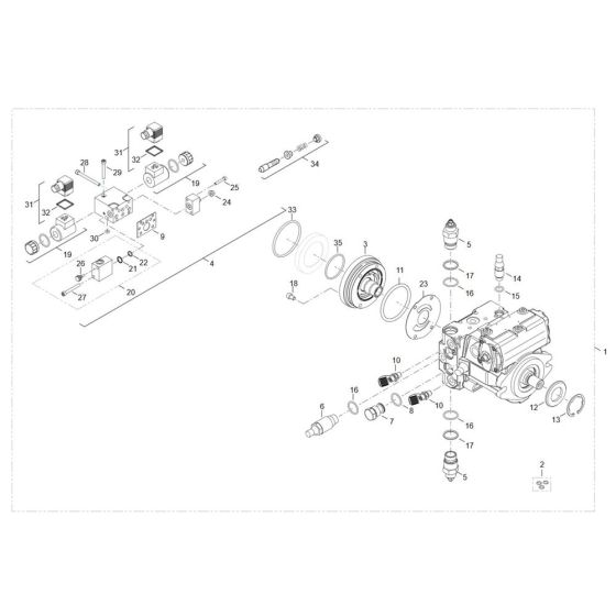
The Displacement Pump Assembly for the Wacker TH522 Telehandler is designed to ensure efficient hydraulic performance. This assembly includes key components such as pistons, seals, and valves, which work together to maintain optimal fluid movement and pressure. Essential for routine maintenance, it helps prolong the telehandler's operational life by ensuring reliable hydraulic function.
Reviews
Add a review
Write Your Own Review
Ask a Question
Customer Questions

