Description
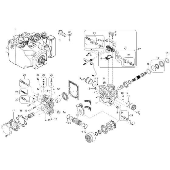
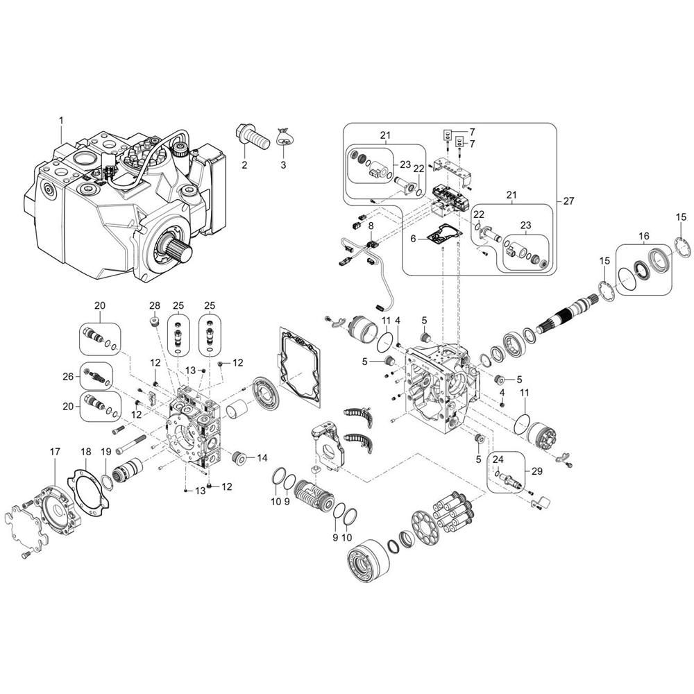
The Displacement Pump Assembly for the Wacker TH745 Telehandler is crucial for efficient hydraulic operations. This assembly ensures optimal fluid movement within the telehandler, supporting various lifting and handling tasks. It includes components such as seals, valves, and pistons, designed to maintain the telehandler's performance and reliability. Genuine Wacker Neuson parts ensure compatibility and durability.
Reviews
Add a review
Write Your Own Review
Ask a Question
Customer Questions

