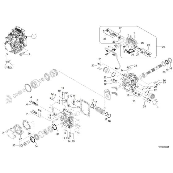
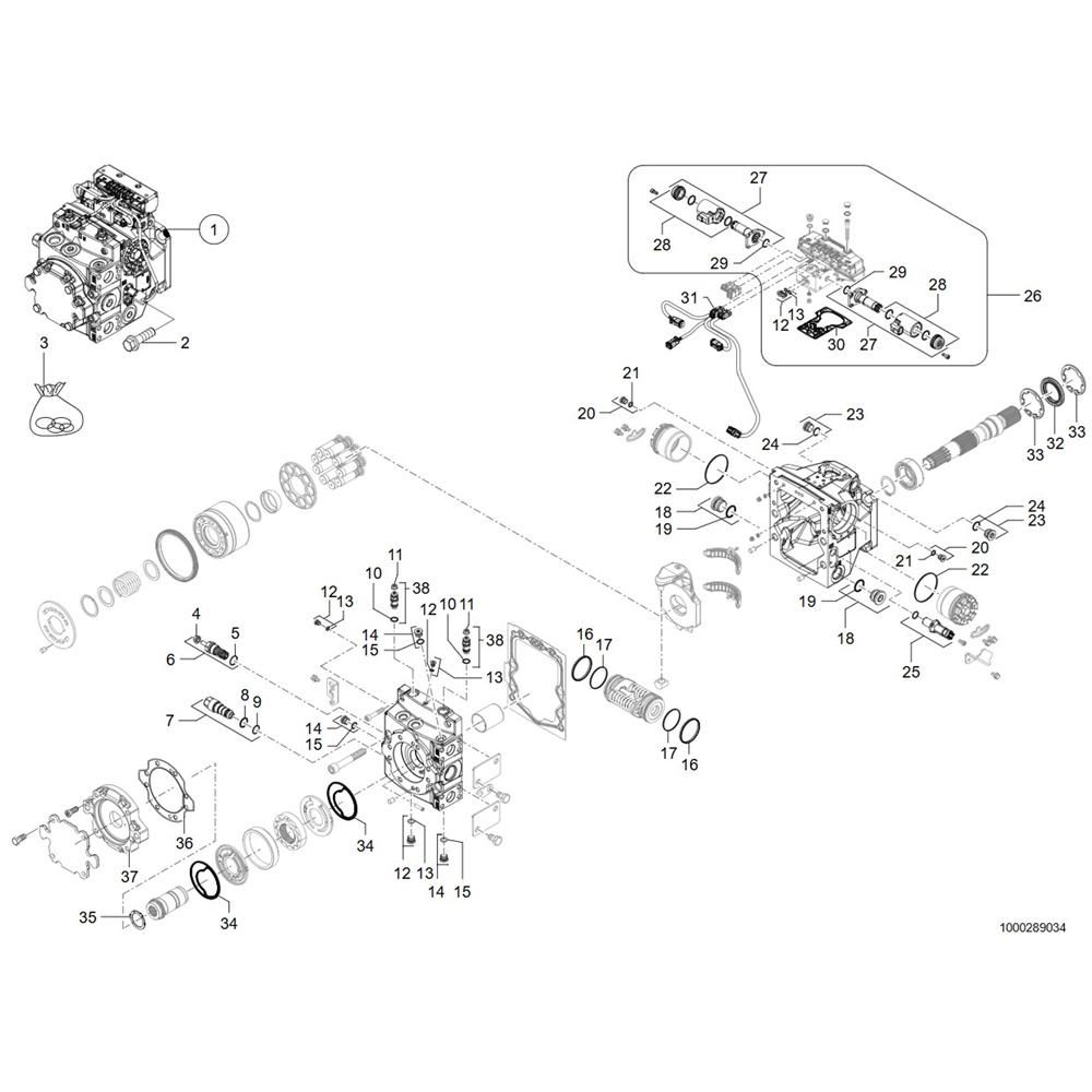
Description
The Displacement Pump Assembly for the Wacker TH755 (416-04) Telehandler is designed to ensure efficient hydraulic operation. This assembly includes key components that facilitate fluid movement, essential for the telehandler's performance. Genuine Wacker Neuson parts ensure compatibility and reliability, maintaining optimal functionality in demanding environments.
Reviews
Add a review
Write Your Own Review
Ask a Question
Customer Questions

