Description
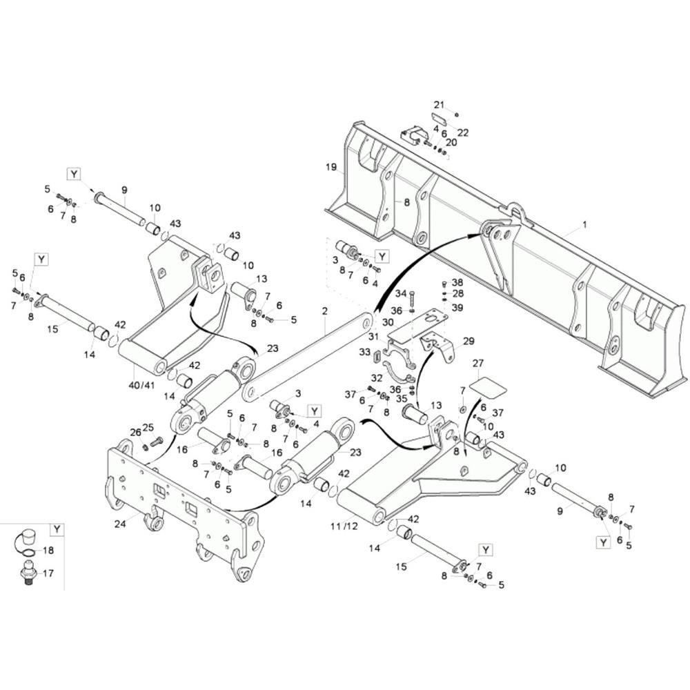
The Dozer Blade Assembly for the Wacker 9503 Excavator is designed to enhance the machine's earth-moving capabilities. This assembly includes key components such as the blade, mounting brackets, and hydraulic cylinders, ensuring efficient soil levelling and grading. Genuine Wacker Neuson parts guarantee compatibility and durability, supporting optimal performance in construction and landscaping tasks.
Reviews
Add a review
Write Your Own Review
Ask a Question
Customer Questions

