Description
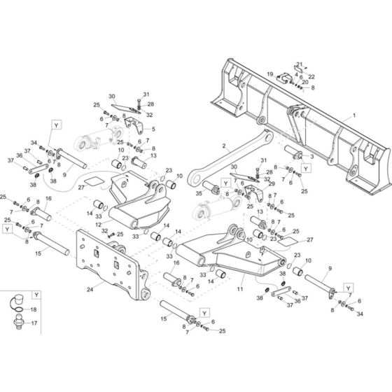
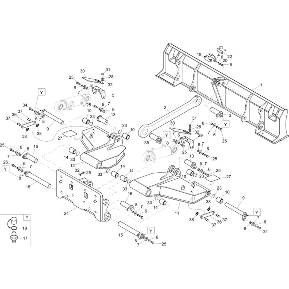
The Dozer Blade Assembly for the Wacker EW65 Mini Excavator is designed to enhance the machine's earth-moving capabilities. This assembly includes components such as the blade, mounting brackets, and hydraulic cylinders, ensuring efficient soil levelling and grading. Genuine Wacker Neuson parts provide durability and reliability for demanding construction tasks.
Reviews
Add a review
Write Your Own Review
Ask a Question
Customer Questions

