Description
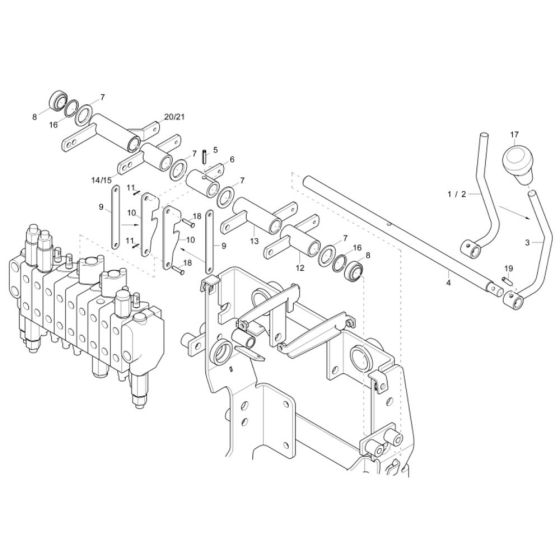
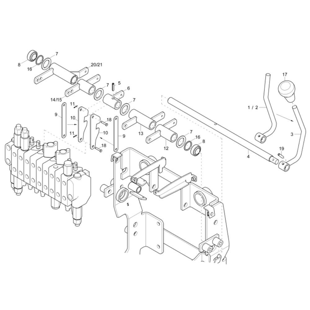
The Dozer Blade Lever Assembly for the Wacker 803 Mini Excavator includes key components essential for controlling the dozer blade's movement. This assembly ensures precise operation and durability, contributing to the excavator's efficiency. Genuine Wacker Neuson parts are used to maintain high performance and reliability. Components may include levers, springs, and brackets.
Reviews
Add a review
Write Your Own Review
Ask a Question
Customer Questions

