Description
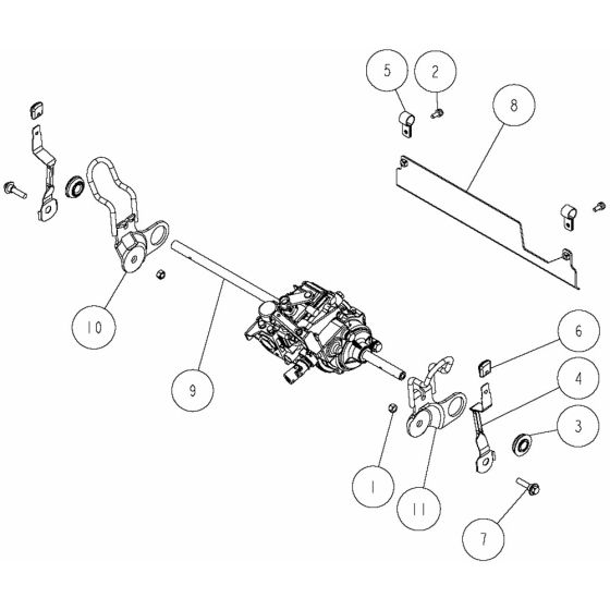
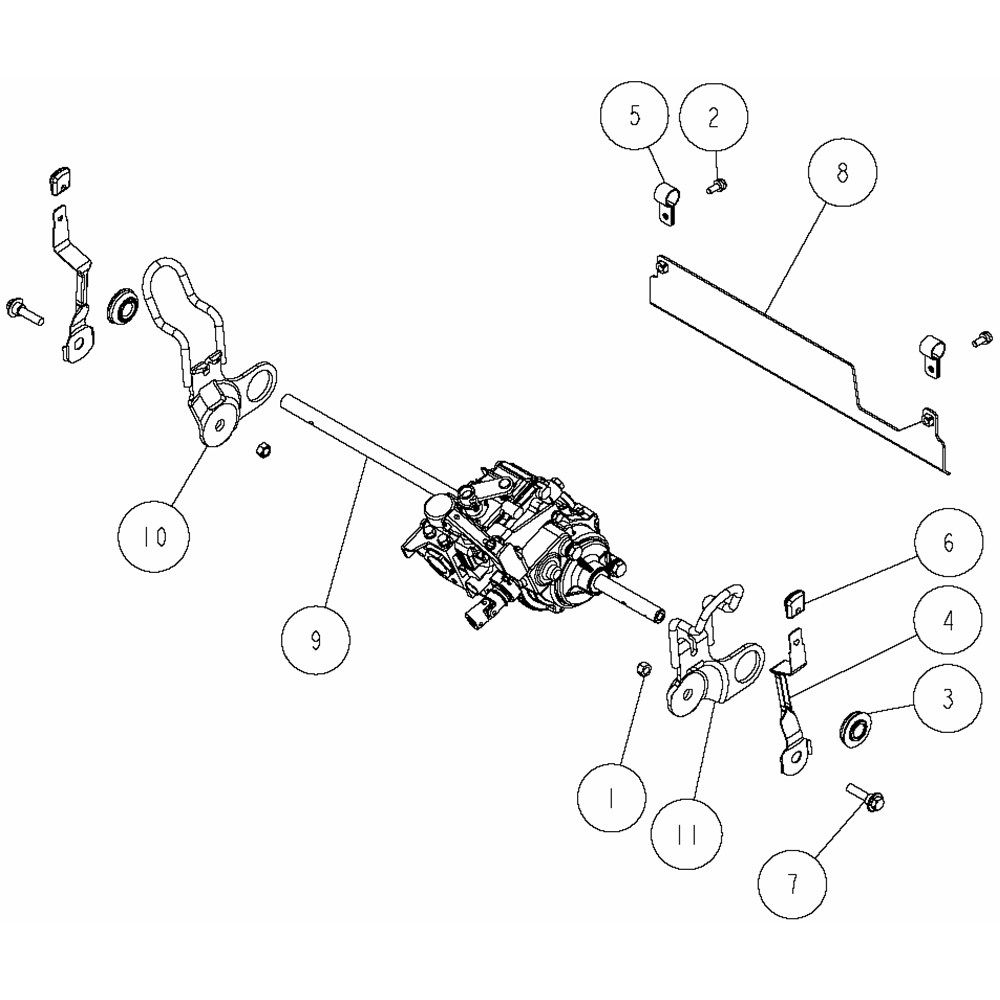
Drive Assembly -1 for OREC GRH537PRO Mower
Genuine OREC Walk Behind Mower Parts
Genuine OREC Walk Behind Mower Parts
Reviews
Add a review
Write Your Own Review
Ask a Question
Customer Questions

