Description
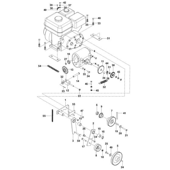
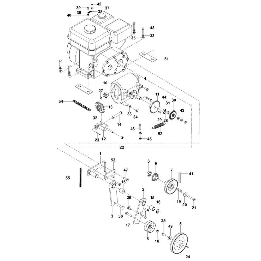
The Drive Assembly for the Husqvarna SC18A BF Sod Cutter is essential for efficient operation, ensuring smooth and reliable sod cutting. This assembly includes components like belts, pulleys, and gears, which work together to transfer power effectively. Designed for durability, these genuine Husqvarna parts help maintain optimal performance and extend the lifespan of your sod cutter.
Reviews
Add a review
Write Your Own Review
Ask a Question
Customer Questions

