Description
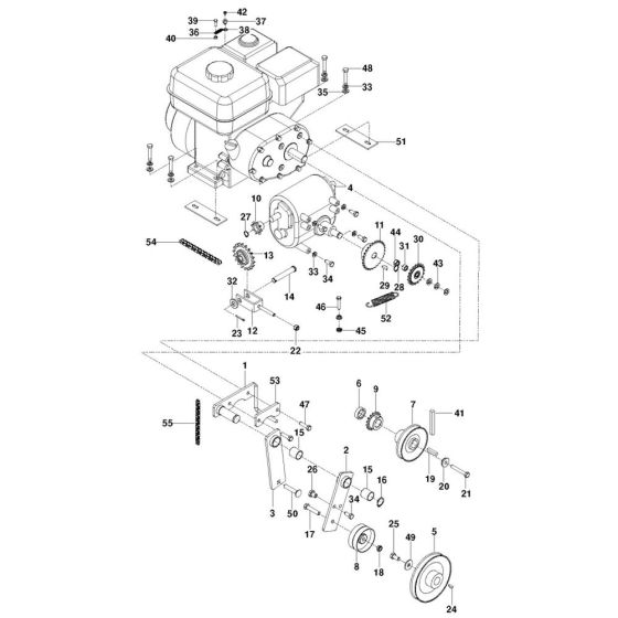
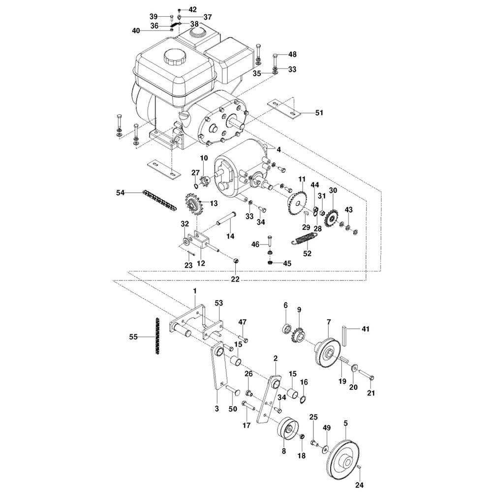
The Drive Assembly for the Husqvarna SC18A Sod Cutter is crucial for efficient operation, ensuring smooth and reliable cutting performance. This assembly includes components such as belts, pulleys, and gears, designed to transfer power effectively from the engine to the cutting mechanism. Regular maintenance of these parts helps maintain optimal functionality and prolongs the machine's lifespan.
Reviews
Add a review
Write Your Own Review
Ask a Question
Customer Questions

