Description
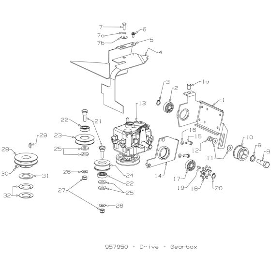
The Drive Assembly for the Masport RR18SP IN 2016 Nov Mower includes essential components to ensure smooth operation and efficient power transmission. Designed for routine maintenance and repair, this assembly helps maintain the mower's performance and longevity. Components may include belts, pulleys, gears, and axles, available in genuine and non-genuine options.
Reviews
Add a review
Write Your Own Review
Ask a Question
Customer Questions

