Description
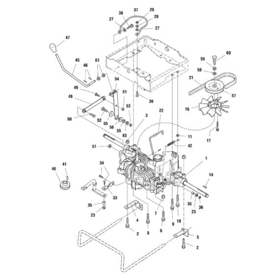
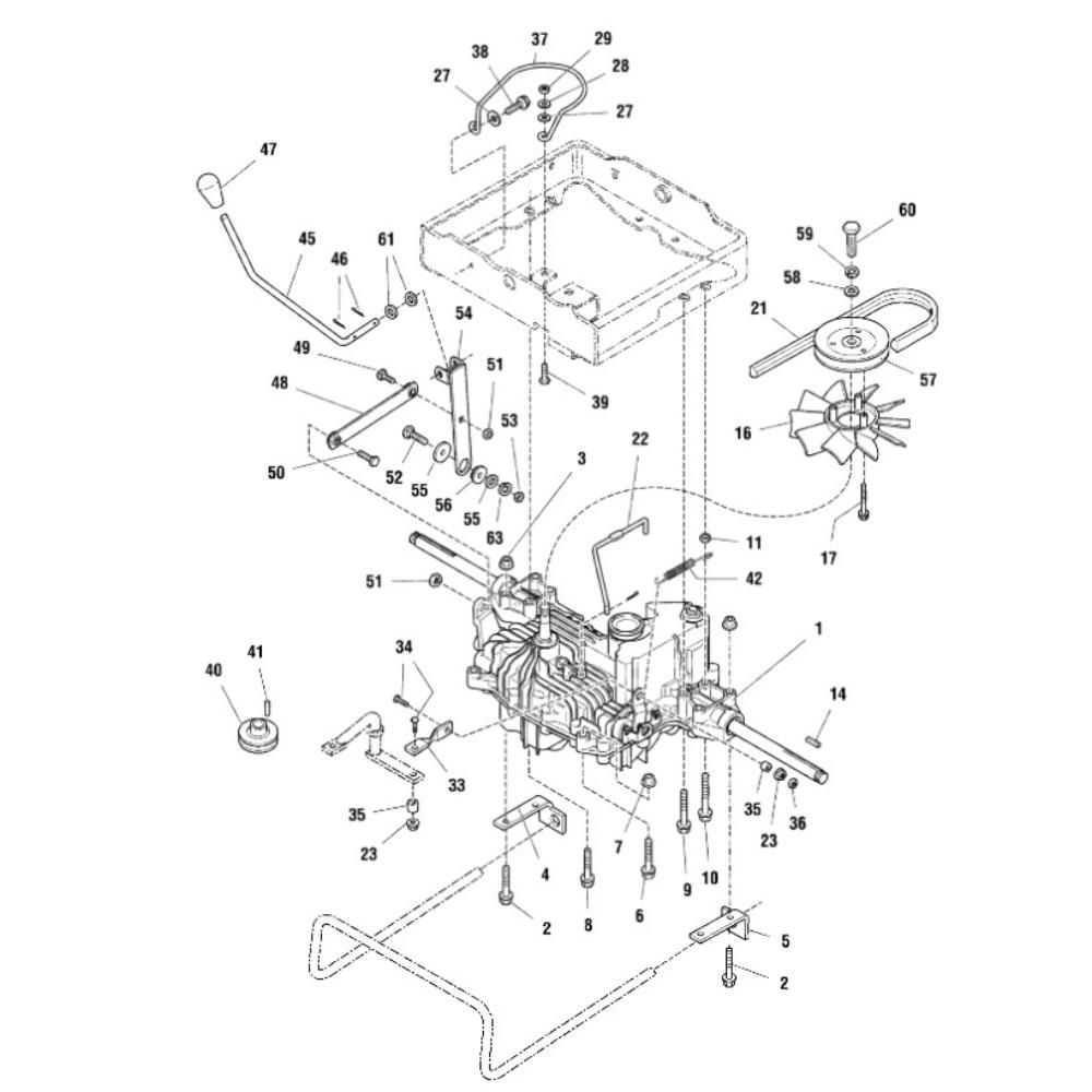
The Drive Assembly for Viking MT 820 Ride on Mowers is a crucial component ensuring smooth and efficient operation. This genuine Viking part includes various elements such as belts, pulleys, and gears that work together to transmit power from the engine to the wheels. Designed for durability and reliability, it helps maintain optimal performance and prolongs the mower's lifespan.
Reviews
Add a review
Write Your Own Review
Ask a Question
Customer Questions

