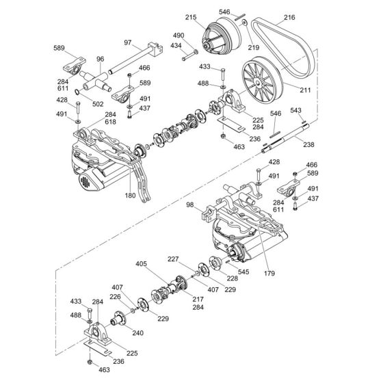
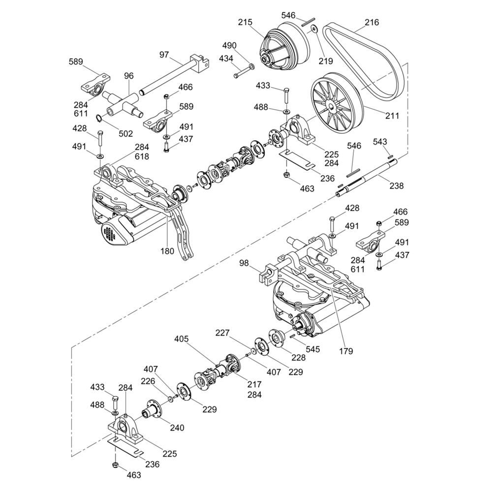
Description
The Drive Assembly for the Wacker CRT 36-24 A-E Trowel is essential for optimal performance of your ride-on trowel. This assembly includes key components that ensure smooth operation and effective power transmission. Genuine Wacker Neuson parts are designed to fit perfectly and maintain the reliability of your equipment. Suitable for routine maintenance and repairs.
Reviews
Add a review
Write Your Own Review
Ask a Question
Customer Questions

