Description
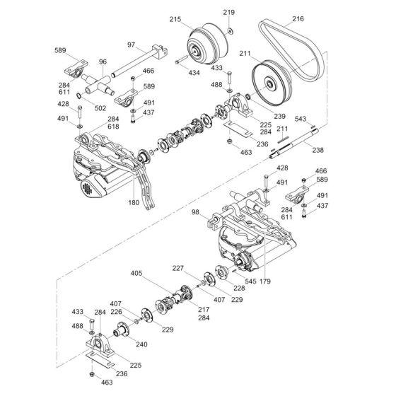
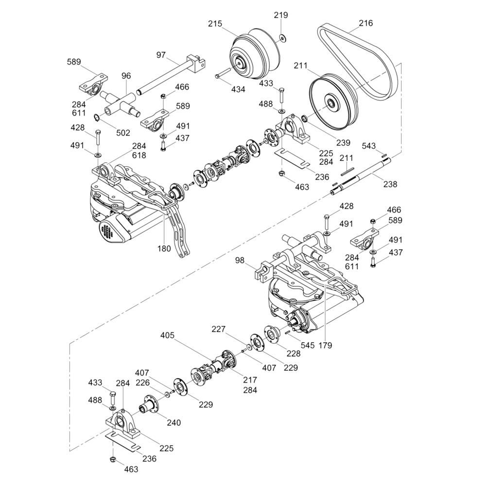
The Drive Assembly for the Wacker CRT 36-25K Trowel is essential for optimal performance and longevity. This assembly includes genuine Wacker Neuson parts designed to ensure smooth operation and efficient power transfer. Components such as belts, pulleys, and gears work together to maintain the trowel's functionality, making it ideal for construction and finishing tasks.
Reviews
Add a review
Write Your Own Review
Ask a Question
Customer Questions

