Description
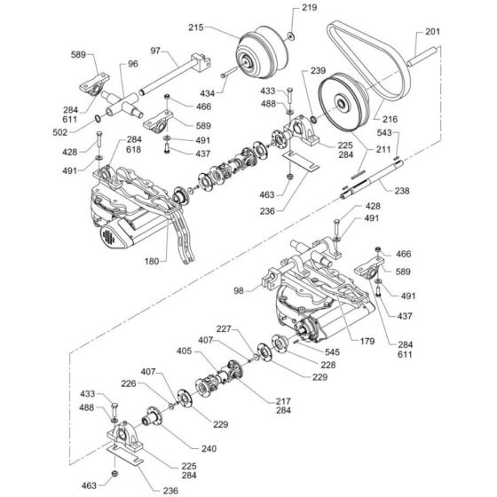
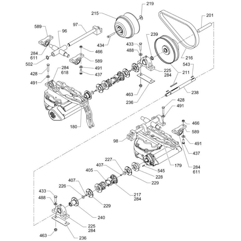
The Drive Assembly for the Wacker CRT 48-25 Trowel is essential for optimal performance and longevity of the ride-on trowel. This assembly includes key components that ensure smooth operation and efficient power transmission. Designed for the Wacker Neuson model, it helps maintain the machine's reliability and effectiveness in concrete finishing tasks.
Reviews
Add a review
Write Your Own Review
Ask a Question
Customer Questions

