Description
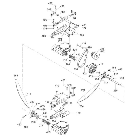
The Drive Assembly for the Wacker CRT 48-57 K-MS Trowel is essential for the efficient operation of this ride-on trowel. It includes genuine Wacker Neuson parts designed to ensure optimal performance and longevity. The assembly typically features components such as belts, pulleys, and shafts, which work together to deliver smooth and reliable power transmission.
Reviews
Add a review
Write Your Own Review
Ask a Question
Customer Questions

