Description
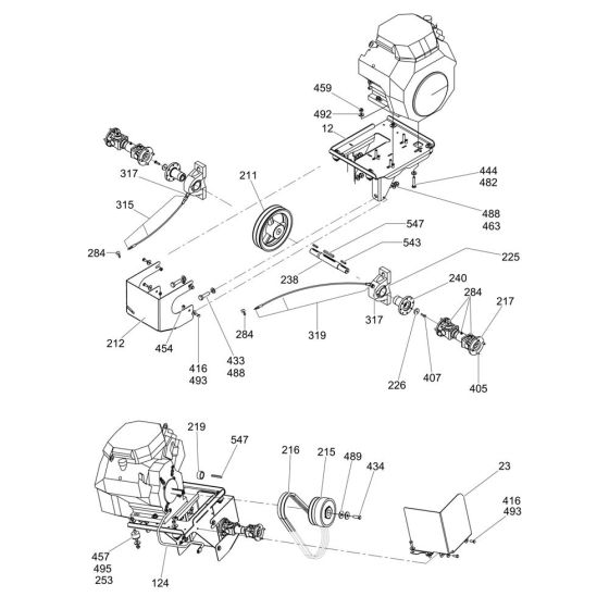
The Drive Assembly for the Wacker CRTv 36-26 Trowel is essential for optimal performance and longevity. This assembly includes key components such as belts, pulleys, and gears, ensuring efficient power transmission. Designed specifically for the Wacker Neuson Ride-On Trowel, it helps maintain smooth operation and reliability during concrete finishing tasks.
Reviews
Add a review
Write Your Own Review
Ask a Question
Customer Questions

