Description
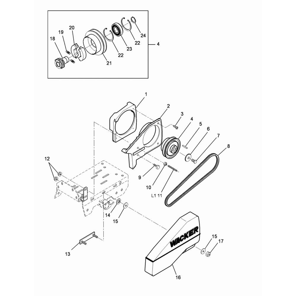
The Drive Assembly for the Wacker VPA1340 Compactor includes key components to ensure efficient operation and longevity. This assembly is crucial for transferring power from the engine to the compactor plate, facilitating effective soil and asphalt compaction. Components such as belts, pulleys, and shafts are included, designed to withstand rigorous use in construction environments.
Reviews
Add a review
Write Your Own Review
Ask a Question
Customer Questions

