Description
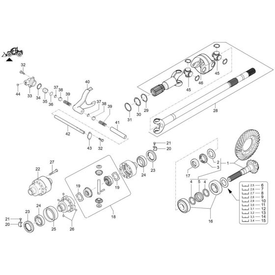
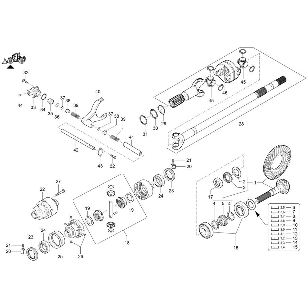
The Drive (Front) Assembly for the Wacker TH627 Telehandler is crucial for efficient operation and manoeuvrability. This assembly includes components such as gears, axles, and bearings, ensuring smooth and reliable performance. Designed to meet the demands of heavy-duty tasks, it supports the telehandler's capability to handle various terrains and loads.
Reviews
Add a review
Write Your Own Review
Ask a Question
Customer Questions

