Description
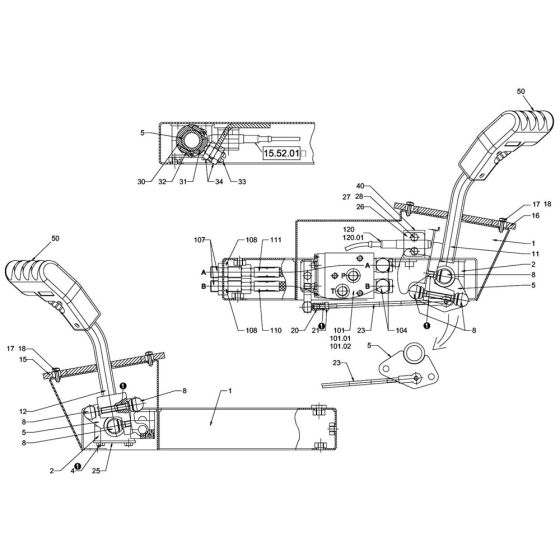
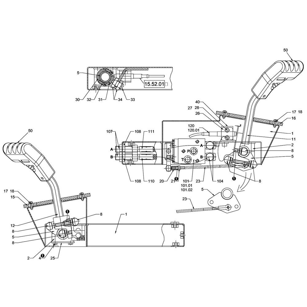
The Drive Shifting Assembly for Hamm HD70 - 75 (H152) Roller is crucial for efficient operation and control. It includes components like gears, shafts, and bearings, ensuring smooth power transmission and optimal performance. Designed for durability, these parts help maintain the roller's functionality and extend its service life. Suitable for routine maintenance and repairs.
Reviews
Add a review
Write Your Own Review
Ask a Question
Customer Questions

