Description
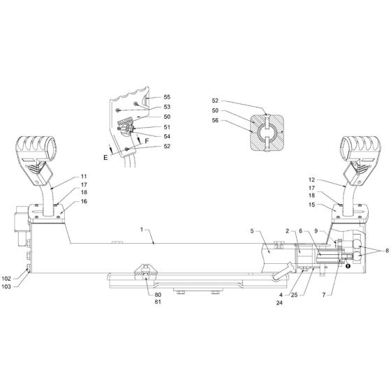
The Drive Shifting Assembly for Hamm HD90 (H245) Rollers is essential for maintaining optimal performance and reliability. This assembly includes key components that facilitate smooth gear transitions and efficient power transfer. Typical parts may include gears, shafts, and bearings, all designed to ensure the roller operates effectively under various conditions.
Reviews
Add a review
Write Your Own Review
Ask a Question
Customer Questions

