Description
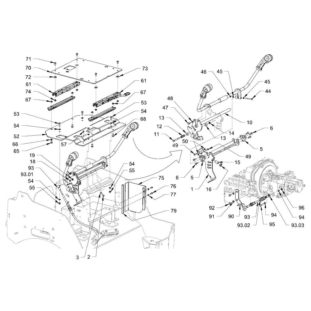
Drive Shifting components for Hamm HD10 - 12 (H262) Rollers are essential for maintaining the machine's operational efficiency. These parts ensure smooth transmission and effective power distribution, crucial for optimal roller performance. Available in both genuine and non-genuine options, they cater to various maintenance needs and preferences.
Reviews
Add a review
Write Your Own Review
Ask a Question
Customer Questions

