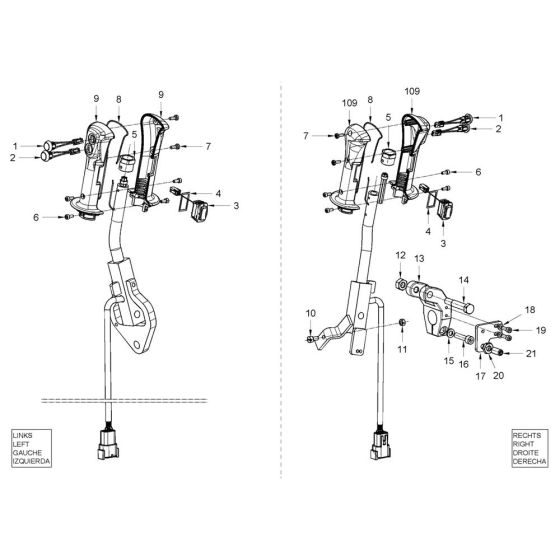
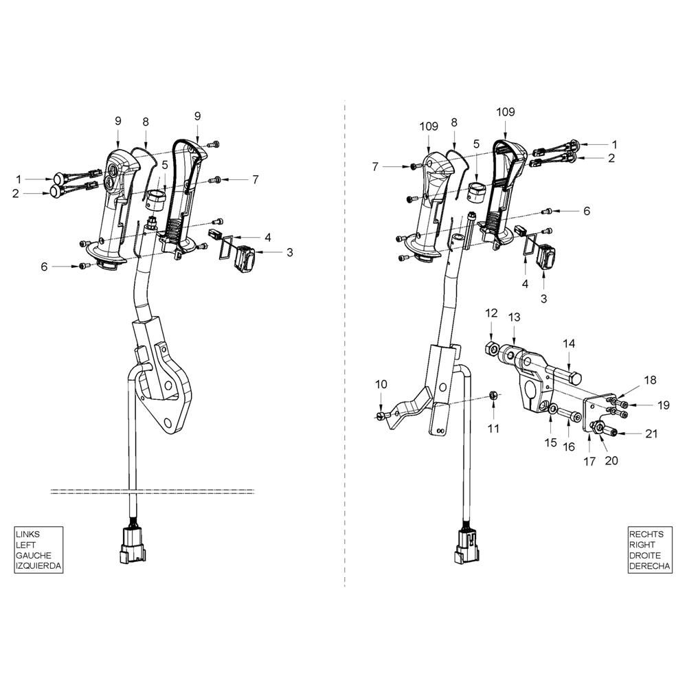
Description
Drive Shifting for Hamm HD10E - 12E (H289) Rollers ensures optimal performance and reliability. This assembly includes components crucial for the smooth operation of the roller's drive system. Parts like gears, shafts, and bearings are available to maintain or repair your equipment, ensuring efficient power transfer and operational longevity.
Reviews
Add a review
Write Your Own Review
Ask a Question
Customer Questions

