Description
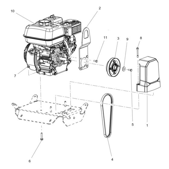
The Drive System Assembly for the Wacker VP80G Compactor includes key components essential for optimal operation and longevity. This assembly ensures efficient power transmission and smooth operation of the compactor. Typical parts include belts, pulleys, and shafts, all designed to maintain the performance and reliability of your equipment.
Reviews
Add a review
Write Your Own Review
Ask a Question
Customer Questions

