Description
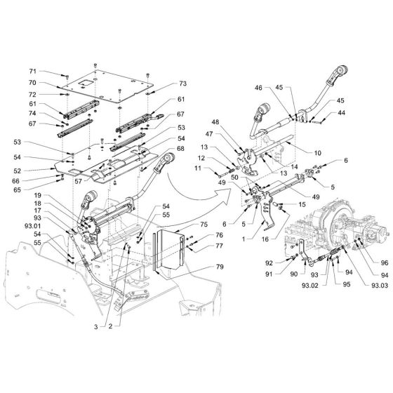
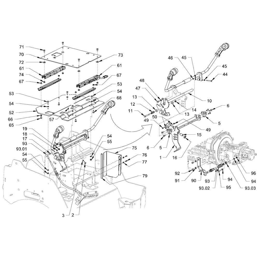
Driving Shifting components for Hamm HD30 - 35 (H247) Rollers are essential for maintaining smooth operation and control. These parts ensure efficient power transmission and precise movement. Available in genuine and non-genuine options, they include gears, levers, and linkages, catering to various maintenance needs and preferences.
Reviews
Add a review
Write Your Own Review
Ask a Question
Customer Questions

