Description
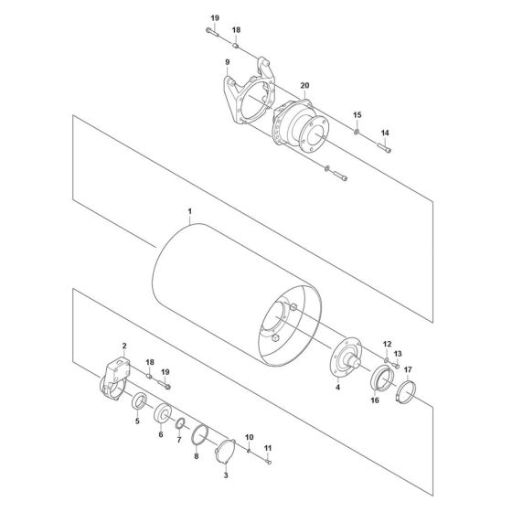
The Drum Assembly for the Husqvarna LP 6500 Roller is essential for maintaining optimal performance and longevity of the roller. This assembly includes genuine Husqvarna parts designed to ensure smooth operation and effective compaction. Components typically include drums, bearings, and seals, all crucial for reliable and efficient use in construction and landscaping tasks.
Reviews
Add a review
Write Your Own Review
Ask a Question
Customer Questions

