Description
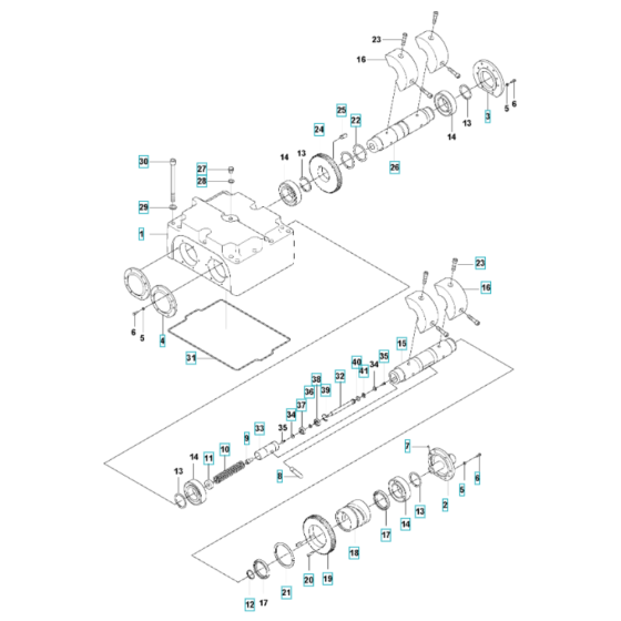
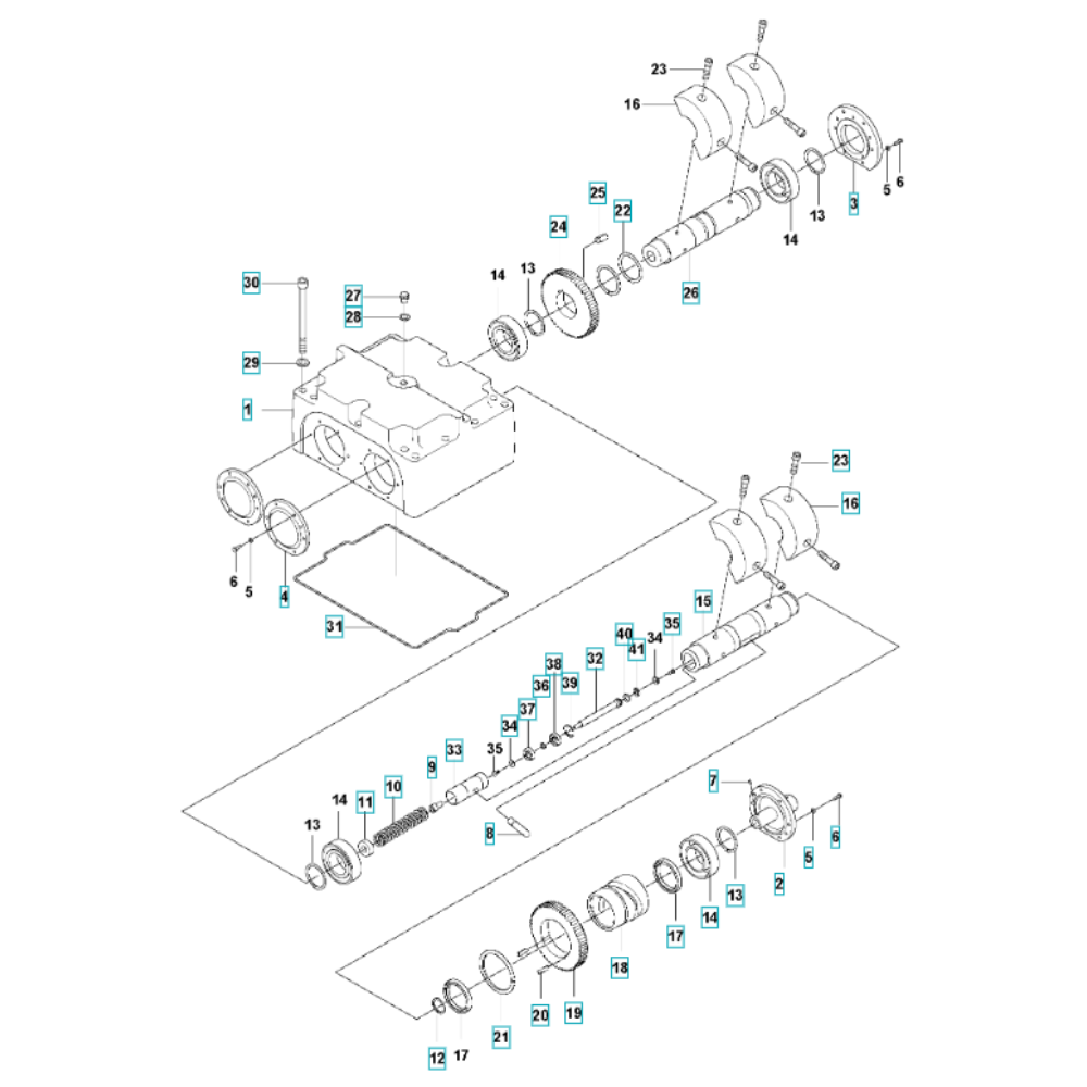
The Eccentric Element Assembly for the Husqvarna LH 700 Reversible Compactor is designed to enhance the machine's performance by ensuring efficient vibration transfer. This assembly includes key components such as bearings, shafts, and seals, which work together to maintain optimal operation. Regular maintenance of these parts helps prolong the lifespan of the compactor and ensures consistent performance in demanding environments.
Reviews
Add a review
Write Your Own Review
Ask a Question
Customer Questions

